
商品描述
![%`MI{ZT5OL_AY]V%493{UO8](https://cbu01.alicdn.com/img/ibank/O1CN01S76WEw1tU58Gur3SG_!!2586235904-0-cib.jpg?__r__=1654738595231)

产品介绍
产品信息
名称: 按钮开关
品牌: 俊嘉电子
货号: BSP-09
颜色: 红色,黑色,蓝色,白色
产品特点
按钮开关(英文名称:push-button switch)是指利用按钮推动传动机构,使动触点与静触点按通或断开并实现电路换接的开关。按钮开关是一种结构简单,应用十分广泛的主令电器。
在电气自动控制电路中,用于手动发出控制信号以控制接触器、继电器、电磁起动器等。
产品实拍图
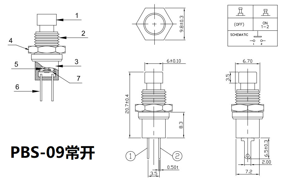
产品技术参数规格尺寸图








产品封装种类:
DIP插件袋装。
规格分类:
按钮可按操作方式、防护方式分类,常见的按钮类别及特点:
开启式:适用于嵌装固定在开关板、控制柜或控制台的面板上。代号为K。
保护式:带保护外壳,可以防止内部的按钮零件受机械损伤或人触及带电部分,代号为H。
防水式:带密封的外壳,可防止雨水侵入。代号为S。
防腐式:能防止化工腐蚀性气体的侵入。代号为F。
防爆式:能用于含有爆炸性气体与尘埃的地方而不引起传爆,如煤矿等场所。代号为B。
旋钮式:用手把旋转操作触点,有通断两个位置,一般为面板安装式。代号为X。
钥匙式:用钥匙插入旋转进行操作,可防止误操作或供专人操作。代号为Y。
紧急式:有红色大蘑菇钮头突出于外,作紧急时切断电源用。代号为J或M。
自持按钮:按钮内装有自持用电磁机构,主要用于发电厂、变电站或试验设备中,操作人员互通信号及发出指令等,一般为面板操作。代号为Z。
带灯按钮:按钮内装有信号灯,除用于发布操作命令外,兼作信号指示,多用于控制柜、控制台的面板上。代号为D。
组合式:多个按钮组合。代号为E。
联锁式:多个触点互相联锁。代号为C。
按用途和结构分类:
1、常开按钮
2、常闭按钮
3、复合按钮
应用注意事项:
交流和直流电路中按钮开关能力有很大差异,需确认额定值。
直流的场合控制容量非常低。这主要是因为直流不象交流那样有零点(电流零交叉点),因此一旦产生电弧就很难消除,电弧时间很长。而且电流方向不变,所以会出现接点迁移现象,接点会由于凹凸不平而无法断开,可能导致误动作。
有些种类的负载的恒定电流和浪涌电流相差很大。需在允许的浪涌电流值范围内使用。闭路时的浪涌电流越大,接点的消耗量和迁移量也越大,就会因接点的熔接和迁移导致接点无法开关的故障。
在含有电感应的情况下会产生反向感应电压,电压越高能量越大,接点的消耗和迁移也随之增大,
因此,需确认额定的条件,在额定值中标出了控制容量,但仅这些是不够的,在接通时和切断时的电压、电流波形、负载的种类等特殊的负载电路中,必须分别进行实际设备测试确认。微小电压、电流的场合需使用微小负载用产品。使用一般用途的银质接点时,可能导致接触可靠性降低。
按钮开关超出按钮开关范围的微小型、高负载型时,请连接适合该负载的继电器。
确定各机种的额定值的条件如下:
感性负载:功率因数0.4以上(交流)、时间常数7ms以下(直流)。
灯负载:具有相当于恒定电流10倍的浪涌电流时的负载。
电动机负载:具有相当于恒定电流6倍的浪涌电流时的负载。
注:感性负载在直流电路中特别重要,因此必须充分了解负载的时间常数(L/R)的值。
工厂实景

测试设备图

购买须知



通过 

