采购要求
报价要求
需要报含税价发票需要包含运费报价需要包含运费不允许对询价单部分物料报价不允许供应商报价可改数量
收货地址
浙江 宁波 宁波市镇海区 镇海炼化施工现场(严禁物流,需要单独送货)
发票要求
增值税专票(一般纳税人开具)
交易方式
账期支付(在结算对账后60天内付款)
支付方式
网商银行融易收(对公转账)、线下支付
补充说明描述

供应商报价须知:
1、请供应商认真查看补充说明,严谨报价,并确保报价真实有效,为防止恶意报价,不能按要求严格执行报价的供应商,我公司将向阿里巴巴举报,并列入我公司供应商黑名单管理,禁止参与本单位一切采购活动。各报价供应商务必仔细阅读后再行报价。
2、为了顺利完成平台交易,为满足国家“营改增”政策的要求,保证“三流一致”,请抓紧开通1688&浙江网商银行,具体教程请各供应商参考:https://view.1688.com/cms/promotion/rys.html
其它要求如下:
行号 | 物料编码 | 物料名称 | 品牌 | 型号 | 采购量 | 物料描述 |
|---|---|---|---|---|---|---|
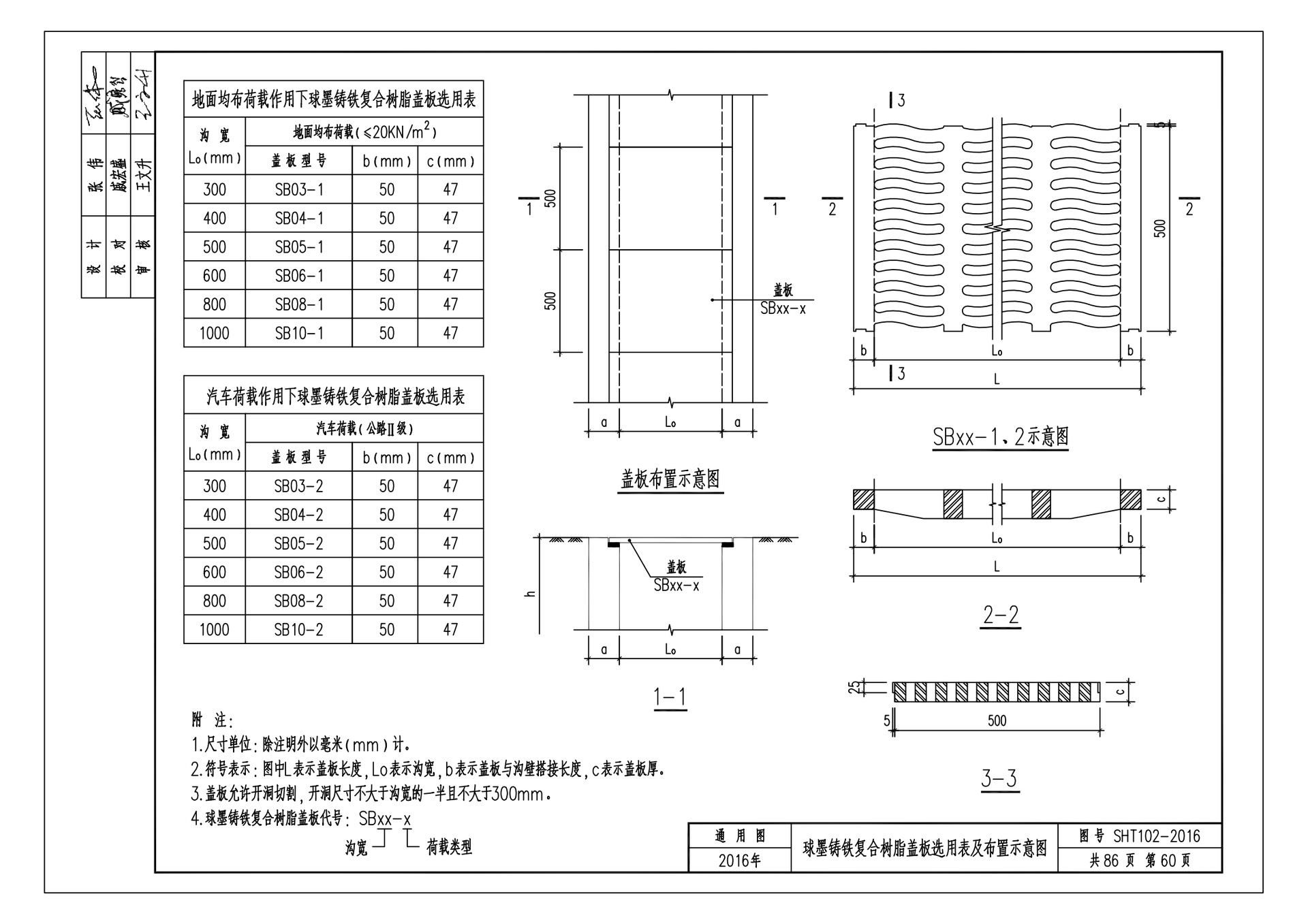
1 | 球墨铸铁盖板 | / | SB05-2 | 600块 | 图集SHT102-2016 球墨铸铁复合树脂盖板 | |
2 | 球墨铸铁盖板 | / | SB05-1 | 600块 | 图集SHT102-2016 球墨铸铁复合树脂盖板 |


